+
  • 聯想截圖_20241206113631_副本_副本.png

Steam boiler filters

Steam boiler filters are devices used to remove impurities and particles from boiler inlet or circulating water to ensure efficient and safe operation of the boiler.

  • Commodity name: Steam boiler filters

Classification:

Product Details


  • 産(chǎn)品描述
  • 1.Filter Overview

    Steam boiler filters are devices used to remove impurities and particles from boiler inlet or circulating water to ensure efficient and safe operation of the boiler. If solid impurities in water (such as rust, sand, fine particles, etc.) are not treated, they may cause boiler scaling, corrosion, blockage and other problems, affecting boiler efficiency and shortening the service life of the equipment. The filter filters impurities through physical barriers to keep the boiler water quality stable.

    2.Working Principle

    Steam boiler filters intercept solid particles in water through filter screens or filter elements. When water flows through the filter medium, larger impurities are intercepted and clean water continues to flow into the boiler system. Some filters are also equipped with a backwash function to automatically remove accumulated impurities and ensure long-term stable operation.

    3.Classification

    3.1. Mechanical filter:Uses metal mesh or plastic mesh to filter large particles of impurities, suitable for boiler systems with better water quality.

    3.2. Magnetic filter:Adsorbs metal impurities (such as iron filings) through magnets, suitable for systems with more iron impurities.

    3.3. Backwash filter:Automatic cleaning, suitable for boiler systems that need to run for a long time, reducing manual maintenance.

    3.4. Paper/fiber filter:Filters fine particles, suitable for boilers that require high-precision water quality control.

    3.5. Multi-stage filter:Multi-layer filtration provides more efficient impurity removal, suitable for occasions with poor water quality.

    4.Advantages

    4.11. Improve efficiency

    Filter impurities to reduce scaling, maintain efficient heat transfer of heat exchangers, and improve boiler thermal efficiency.

    4.2. Extend equipment life

    Prevent corrosion and blockage, and extend the service life of boilers and their ancillary equipment.

    4.3. Reduce maintenance costs

    Regular filtration reduces boiler failures and reduces maintenance costs.

    4.4. Ensure safe operation

    Remove impurities, ensure water quality meets boiler requirements, and reduce safety hazards.

    5.Applications

    5.1. Industrial steam boilers:Widely used in chemical, power generation, pharmaceutical and other industries to ensure the stable operation of boiler systems.

    5.2. Heating boilers:In centralized heating systems, keep water clean and improve heating efficiency.

    5.3. High-pressure steam boiler:High-pressure boilers have extremely high water quality requirements, and magnetic and multi-stage filters are often used in such systems.

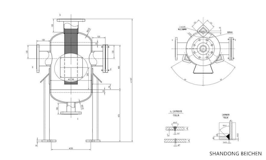
    6.Schematic diagram

Get Quote

Note: Please leave your E-mail and our professionals will contact you as soon as possible!

Related Products